| Sign In | Join Free | My ledscreensign.com | 
 | 
Place of Origin : China
Brand Name : LINK-PP
Certification : UL,ROHS,Reach,ISO
Model Number : 0826-1G1T-23-F
MOQ : 50/500/1000/25K
Price : $0.05-$1.28
Packaging Details : 50pcs/tray,1200pcs/carton
Delivery Time : About 3 Days
Payment Terms : TT,NET30/60/90 Days
Supply Ability : 4200K-PCS/Month
Part Number : 0826-1G1T-23-F
Number of Ports : 1X1
Speed : 1000BASE-T
Samples : Free Available
Equivalent : LPJK4071AWNL
Dimension : 32.77x16.31x13.61mm
LED : G/G
Operating Temperature : 0 ~ +70ºC
Port Configuration : Tab Up
EMI Tabs : With
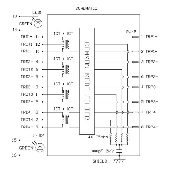
The 0826-1G1T-23-F is a single-port, shielded RJ45 Connector with integrated Ethernet magnetics, designed for high-performance networking applications. It supports 10/100/1000 Base-T Ethernet and features through-hole mounting with a right-angle orientation. The connector offers full shielding and includes AutoMDIX functionality, allowing automatic detection and adjustment for straight or crossed network cables. This all-in-one design simplifies PCB layout and enhances signal integrity for reliable Gigabit Ethernet connections.
| Parameter | Condition / Notes | Specification | 
|---|---|---|
| Type | — | Balanced Low Pass, 100Ω Impedance | 
| Insertion Loss | 1 – 100 MHz | -1.0 dB MAX | 
| Return Loss | 1 – 30 MHz | -18 dB MIN (Load) | 
| 30 – 60 MHz | -16 dB MIN, 100Ω Load | |
| 60 – 80 MHz | -12 dB MIN, 100Ω Load | |
| 80 – 100 MHz | -10 dB MIN, 100Ω Load | |
| Common Mode Rejection (CMR) | 1 – 100 MHz | -30 dB MIN | 
| Cross Talk | 1 – 100 MHz | -30 dB MIN | 
| Inductance | @ 100 kHz, 0.1 V, 8 mA DC Bias | Input (R11-R10, R4-R5, etc.) | 
| Hi-Pot Test | Input (R11-R10) to Output (C1-C2) | 1500 Vac 60s or 2250 Vdc 60s | 
| Input (R4-R5) to Output (C3-C6) | 1500 Vac 60s or 2250 Vdc 60s | |
| Input (R3-R2) to Output (C4-C5) | 1500 Vac 60s or 2250 Vdc 60s | |
| Input (R8-R9) to Output (C7-C8) | 1500 Vac 60s or 2250 Vdc 60s | 



|   | 
| 0826-1G1T-23-F RJ45 Magnetic Jack Tab-up 12 Cores 1000Base-T Images | 
 Rj45 Magnetic Connector 1840434-7 Gigabit Jack Shielded With Leds 1840434-9
                                                                                    
                        
                        
                        
                                                            Rj45 Magnetic Connector 1840434-7 Gigabit Jack Shielded With Leds 1840434-9
                                                    
                        
                     RT7-174ABB1A Magnetic RJ45 Jack 1X1 Tab Up 10/100 Ethernet PCB 8pin With LED
                                                                                    
                        
                        
                        
                                                            RT7-174ABB1A Magnetic RJ45 Jack 1X1 Tab Up 10/100 Ethernet PCB 8pin With LED
                                                    
                        
                     RTA-164AAK1A RJ45 1X1 Tab Up Through Hole 10/100/1000Base-TGreen/Orange,Yellow
                                                                                    
                        
                        
                        
                                                            RTA-164AAK1A RJ45 1X1 Tab Up Through Hole 10/100/1000Base-TGreen/Orange,Yellow
                                                    
                        
                     KLS12-TL091 Single Port Magnetic RJ45 Jack 10/100 BASE-T LPJ4011ABNL 8P8C
                                                                                    
                        
                        
                        
                                                            KLS12-TL091 Single Port Magnetic RJ45 Jack 10/100 BASE-T LPJ4011ABNL 8P8C
                                                    
                        
                     HFJT1-1G16C3-L12RL , LPJK0036AHNL Magnetic RJ45 Jack Gigabit Data Port
                                                                                    
                        
                        
                        
                                                            HFJT1-1G16C3-L12RL , LPJK0036AHNL Magnetic RJ45 Jack Gigabit Data Port
                                                    
                        
                     Industrial Network Switches Transformer 7499011122 , MIC25011-5110T-LF3
                                                                                    
                        
                        
                        
                                                            Industrial Network Switches Transformer 7499011122 , MIC25011-5110T-LF3
                                                    
                        
                     RTA-114BAD1A Magnetic RJ45 Connectors Female Jack With Transformers 10/100Base-T
                                                                                    
                        
                        
                        
                                                            RTA-114BAD1A Magnetic RJ45 Connectors Female Jack With Transformers 10/100Base-T
                                                    
                        
                     TE 6605835-1 Mag45 Modular Jack Gigabit Magnetic , LPJG16314CNL 1000Base-T Con
                                                                                    
                        
                        
                        
                                                            TE 6605835-1 Mag45 Modular Jack Gigabit Magnetic , LPJG16314CNL 1000Base-T Con
                                                    
                        
                     ARJ11B-MESBQ-A-B-EMU2 Ethernet Single Port 10/100 Magnetic RJ45 Connector
                                                                                    
                        
                        
                        
                                                            ARJ11B-MESBQ-A-B-EMU2 Ethernet Single Port 10/100 Magnetic RJ45 Connector
                                                    
                        
                     ARJP11A-MASA-B-A-EMU2 Tab Down RJ-45 Magnetic Jack PCB Mounting Standard With
                                                                                    
                        
                        
                        
                                                            ARJP11A-MASA-B-A-EMU2 Tab Down RJ-45 Magnetic Jack PCB Mounting Standard With